• <tt id="uuuuu"></tt>
  • <li id="uuuuu"></li>
    <li id="uuuuu"></li>
    <tt id="uuuuu"></tt>
    <tt id="uuuuu"></tt>
    <li id="uuuuu"></li>
  • <li id="uuuuu"></li>
  • 雙針壓力表

    發布時間:2025-09-19 ??? 瀏覽次數:
    雙針壓力表
        YZS-102雙針壓力表主要用于機車車輛上用來測量液壓系統或儲氣缸的壓力,也可用于對銅合金、錫鉛合金釬焊無腐蝕性,非結晶和凝固的各種介質的壓力測量。雙針壓力表可同時測量兩個相同或不相同(兩者之差一般應不大于標度范圍上的限制的1/3)的壓力。
    雙針壓力表結構原理:
    1、儀表由兩套各自獨立的測量系統和指示裝置等組成。
    2、雙針壓力表的工作原理是基于彈性元件(測量系統中的彈簧管)的彈性變形。即在被測介質的壓力作用下,迫使兩彈簧管之末端各自產生相應的位移,借助于拉桿經齒輪傳動機構的傳動并予放大,由固定于此輪軸上的紅、黑指針將兩個被測值分別在刻度盤上指示出來。
    雙針壓力表主要技術指標:
    型號 精度等級 使用環境條件 溫度影響 測量范圍(Kpa)
    YZS-102 1.5 5~60℃,相對濕度
    不大于80%
    使用溫度如偏離20±5℃時,其溫度附加誤差
    不大于0.4%10℃
    0~1000  0~1200
    0~1600  0~2500
     
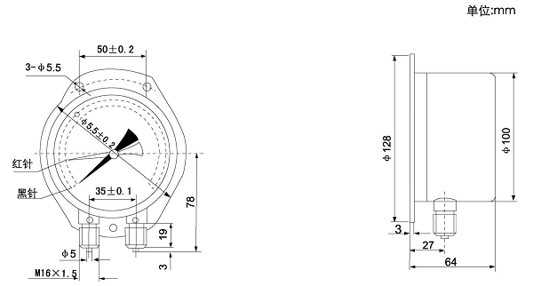
    雙針壓力表的外形結構尺寸:


    上一篇:數字顯示壓力表_數顯壓力表_數字壓力表   下一篇:耐震電接點壓力表_電接點耐震壓力表_抗震壓力表
    一本精品99久久精品77