• <tt id="uuuuu"></tt>
  • <li id="uuuuu"></li>
    <li id="uuuuu"></li>
    <tt id="uuuuu"></tt>
    <tt id="uuuuu"></tt>
    <li id="uuuuu"></li>
  • <li id="uuuuu"></li>
  • 電阻遠傳壓力表

    發布時間:2025-02-28 ??? 瀏覽次數:

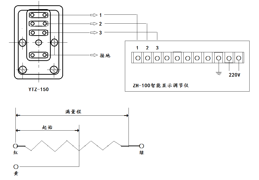
        YTZ-150型電阻遠傳壓力表與YTZ-150B型不銹鋼電阻遠傳壓力表適用于測量對銅及銅合金,或不銹鋼合金不起腐蝕作用氣體,液體的壓力,電阻遠傳壓力表通過儀表內部安裝的定位器式傳感器把被測量值傳至遠離測量點的二次儀表上(ZH-100型智能測控儀或者DCS PLC等),以實現集中檢測和遠距離控制,此外,電阻遠傳壓力表能夠同時就地指示壓力,便于現場工藝檢查。電阻遠傳壓力表與膜片隔離器(隔膜體)連接,通過真空灌裝技術生產成隔膜式電阻遠傳壓力表用于測量腐蝕性較強,粘度較大,有固體雜質以及易結晶介質的壓力。
    電阻遠傳壓力表主要技術指標
    1、基本誤差:±1.6級。
    2、測量范圍選擇:(Mpa)
    (壓力量程范圍滿度值選擇要求是正常工作壓力的1.5~2倍,特殊規格,請在訂貨時注明)
    壓力量程:0~0.1;0~0.16;0~0.25;0~0.4;0~0.6;0~1;0~1.6;0~2.5;0~4;0~6;0~10;0~16;0~25;0~40;0~60;0~100
    真空壓力量程:-0.1~0;-0.1~0.06;-0.1~0.15;-0.1~0.3;-0.1~0.5;-0.1~0.9;-0.1~1.5;-0.1~2.4
    3、工作條件(1)環境溫度:-40-60℃
                        (2)工作壓力:靜負荷:用至測量上限值的3/4
                                             交變負荷:用至測量上限值的2/3
                              短時壓力:用至測量上限值
                        (3)相對溫度:<85%
    4、滑線電阻發送器的技術數據:起始電阻:3~20Ω
                                                        滿度電阻:340~400Ω
          接線端的外加電壓<6V
    5、儀表表盤外徑:Φ150mm
    6、連接尺寸:M20X1.5或指定尺寸
    7、材質:普通電阻遠傳壓力表材質為鐵殼+元件、接頭材質為銅質合金;不銹鋼電阻遠傳壓力表材質為不銹鋼表殼+元件,接頭材質為不銹鋼304或者316。
    電阻遠傳壓力表產品選型

    電阻遠傳壓力表接線圖:(以實物為準)
    上一篇:真空表-真空壓力表-壓力真空表   下一篇:膜片壓力表_隔膜式膜盒壓力表
    一本精品99久久精品77